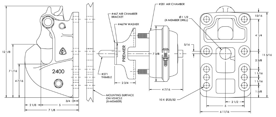
PREMIER PINTLE HOOK PREMALLOY 2-1/8" DIA (271 INCL)

Code: PRE2400

Status: In Stock

EA (1)