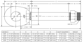
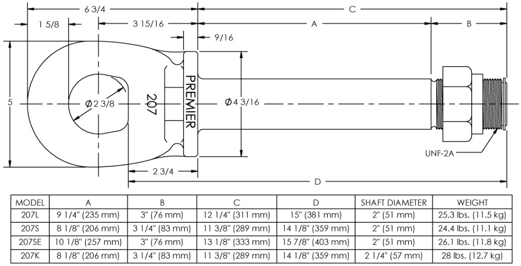
PREMIER DRAWBAR EYE 2-3/8"ID,SHAFT 2"OD X 13-1/8"L (208,416)

Code: PRE207SE

Status: In Stock

EA (1)