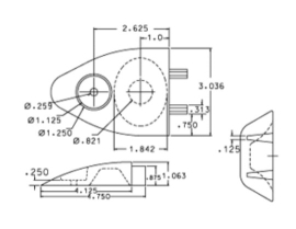
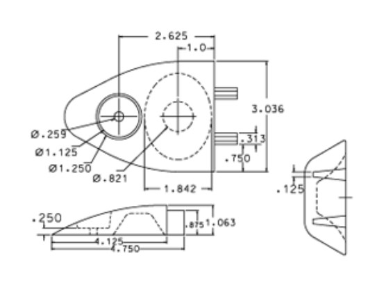
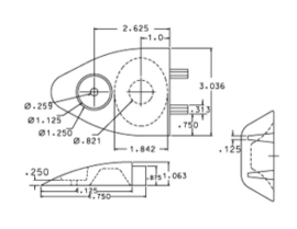
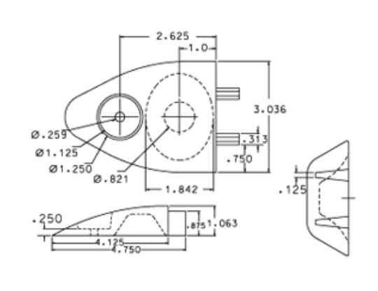
WABASH RUB RAIL END CAP

Code: WAB04300004

Status: In Stock

EA (1)